優質的服務流程
· quality of service processes ·

需求溝通傾聽客戶需求,了解用戶使用環境和現場工況
方案設計根據現場實際工況,針對性出具解決方案
合同簽訂技術和商務規范確認,簽訂合作協議
產品制作選擇最優質的元器件,嚴格按照技術協議
調試安裝現場規范安裝,靜態動態調試,分析儀運行
售后服務后續維護,持續跟進,終身維修

全國熱線
銷售熱線
公司地址山東濟南市槐蔭區太平河南路1567號均和云谷濟南匯智港6號樓
危廢行業VOCs治理
項目概述
該項目生產過程中,原材料中的VOCs揮發造成環境污染,對工人身體造成直接傷害,現在需要進行處理,減少污染,實現達標排放。
待處理VOCs廢氣風量為62,000m3/h,濃度為100mg/m3,溫度常溫,濕度70%;
方案綜述
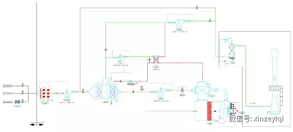
本方案將產生的廢氣,經過預處理進入轉輪進行濃縮后催化燃燒從而達到達標排放的目的。設計系統包含一套沸石轉輪和一套CO爐。沸石轉輪濃縮裝置處理能力為62, 000 m3/h,濃縮能力為30倍,去除效率≥90%;CO反應器處理氣量為2000 Nm3/h,去除效率≥98%。

履帶行業VOCs治理
項目概述
該項目在浸漆過程中有涉及甲苯、二甲苯、乙苯、三甲苯、丙二醇甲醚醋酸酯成分的揮發性有機氣體,治理工藝為前處理+沸石濃縮轉輪+蓄熱燃燒工藝。
項目基礎數據:
1.廢氣風量:10,000m3/h;
2.廢氣組分:甲苯、二甲苯、乙苯、三甲苯、丙二醇甲醚醋酸酯;
3.廢氣濃度范圍:300~1200mg/m3(以非甲烷總烴計);
4.廢氣溫度:常溫,≤25℃;
5.廢氣濕度:≤70%相對濕度;
6.布置區域:10.5m×9m(不含控制室),限高要求:無。
工藝流程
本項目采用轉輪吸附濃縮+RTO蓄熱燃燒的工藝路線進行處理。浸漆車間的廢氣經工藝風機抽出,同時保證浸漆小屋內保證存在保持微負壓的狀態,不斷有新風進入換氣。經過工藝風機抽出的廢氣送往干式過濾,干式過濾器可去除不利的顆粒物,預處理之后的廢氣隨后輸送至轉輪吸附濃縮裝置,廢氣中的VOCs成分被沸石吸收后,達標排放至大氣中。
脫附風機取轉輪排出凈化氣體一部分與RTO的熱氣做熱交換,溫度達到150~180℃,對沸石轉輪進行脫附再生,脫附下來的氣體經RTO風機抽吸牽引進RTO燃燒分解,脫附濃縮后的廢氣在RTO反應裝置中被加熱至750℃以上,燃燒成為二氧化碳和水,排放至大氣。

電子行業VOCs治理
項目概述
根據國家相關法律法規要求,該企業在建集成電路生產廠房需加裝配套VOCs治理設備,以滿足國家排放標準。
待處理風量為50000m3/h,主要成分為PGME、PGMEA、IPA、丙酮等非甲烷總烴,溫度為25℃,排放濃度100-150mg/m3。
工業流程
本項目設計采用兩套沸石轉輪濃縮+直燃式熱氧化(TO)(一用一備,相互獨立)的治理方案。廢氣經主工藝風機輸送至沸石轉輪,廢氣中的VOCs被沸石吸附后達標排放至大氣中,由脫附風機輸送的熱氣將VOCs從沸石中脫附出來,再由TO風機輸送至TO反應器中,被氧化成CO2和H2O,達標排放至大氣中。

玩具噴涂行業VOCs治理
項目概述
某玩具廠為了響應當地政府關于環保減排的要求,同時也為了更好的履行社會責任,欲新增廢氣處理設備,對所產生的廢氣進行集中處理。在達到國家及地方相關環保法規的排放標準的同時,也最大限度的減輕廢氣對環境的污染。
方案綜述
本次方案工藝選用魔方系列|沸石轉輪+CO。
設計沸石轉輪處理風量38000m3/h;轉輪濃縮倍數10倍,沸石吸附效率90%;CO爐處理量為:3500Nm3/h,燃燒效率98%。
該項目每天工作11h;年工作312天。

工程機械行業VOCs治理
項目概述
油漆線在噴涂、流平和烘烤過程中產生的溶劑揮發,產生的VOCs揮發造成環境污染,對工人身體造成直接傷害,為了響應上海市政府關于環保減排的要求,同時為了更好的履行社會責任,該企業決定組織實施VOCs尾氣治理項目,對VOCs尾氣進行處理,減少污染,實現達標排放。
方案概述
本次方案工藝選用轉輪濃縮+RTO。
處理風量約200,000m3/h,按照溫度約35℃,濕度約90%進行核算;年工作日250天;每日工作8小時。
濃度約103.7mg/m3;轉輪濃縮倍數40倍,初始VOCs氣體濃度<100mg/m3時,處理后的VOCs氣體濃度<5mg/m3;綜合處理效率不低于95%。

農機行業VOCs治理
項目概述
本項目涉及車身廠大件面漆線的面漆噴涂、流平廢氣及中涂的噴漆、流平廢氣及面漆烘干廢氣、電泳烘干廢氣進行收集處理。包含車身廠大件面漆線(含中涂噴漆部分)的噴漆流平烘干廢氣及電泳烘干廢氣總計13個排氣點,以實現VOC排放的合規化。
方案綜述
經過對項目實地勘察,充分了解業主需求及項目的經濟性與實用性,本項目采用沸石轉輪濃縮+RTO焚燒作為廢氣治理工藝。其工藝簡述如下:
當噴漆車間與烘干車間同時工作時,通過閥門切換將各個車間生產過程中產生的廢氣經收集管路進行收集,由于烘干廢氣風溫較高,噴漆廢氣濕度較高,故將噴漆廢氣及烘干廢氣進行混合利用烘房廢氣的熱量來降低濕度,除濕后廢氣溫度約38℃,由主工藝風機吸入前處理去除絕大部分顆粒物,再利用沸石轉輪吸附濃縮以去除VOCs成分,凈化后的氣體通過煙囪進行達標排放,濃縮后的高濃度VOCs成分被送入RTO進行高溫氧化,一定停留時間后被氧化成為CO2和H2O,通過煙囪排放至大氣。取部分RTO爐內高溫氣體對脫附氣進行加熱提供轉輪的脫附熱。

家具行業VOCs治理
項目概述
某家具公司在進行噴涂時,產生一些有害氣體,作為中國十省市“環保”家具的知名品牌,該家具公司響應政府號召,為保證工人身體健康,避免給周圍居民的生活帶來困擾,決定對該廢氣進行治理。
待處理風量60000m3/h,廢氣濃度100-150mg/m3,涉及苯、甲苯、二甲苯等。
方案綜述
含有VOCs的廢氣通過風機進入沸石轉輪,沸石轉輪對VOCs進行吸附,凈化后的氣體直接排至大氣中。新鮮空氣經過CO燃燒爐的換熱器及電熱器加熱后,進入轉輪托脫附區,根據轉輪脫附入口溫度控制電加熱器的功率,保證脫附溫度≥150℃。在150℃的脫附氣體作用下,沸石中的VOCs被脫附出來,經過阻火器、風機,經換熱器加熱后進入反應器中。在CO反應器中廢氣被電加熱器加熱至300℃以上,經過催化劑時VOCs被催化氧化成H2O和CO2,隨后經兩級換熱器廢熱利用后達標排放。

風電行業VOCs治理
項目概述
某風電技術公司,在葉片進行噴涂工藝時產生大量含有VOCs氣體,其中以乙酸正丁酯為主,氣體濃度為605.59mg/m3,處理風量59000m3/h。為滿足生產需求、適應市場變化,決定對此生產線進行改造。
方案綜述
含VOCs廢氣首先經過前處理裝置去除大顆粒及對轉輪有害的物質,隨后進入沸石轉輪濃縮裝置,VOCs成分被沸石吸附后,達標排放至大氣中。脫附風機將一部分轉輪排放氣抽吸至脫附段,期間與換熱器的高熱氣進行換熱,溫度達到150~180℃,VOCs從沸石轉輪中脫附出來,隨后進入RTO裝置,在RTO裝置中被加熱至800℃以上,氧化成為CO2和H2O,排放至大氣中。

山東新澤儀器自主開發的 TK-1200 污染源揮發性有機物在線監測系統采用先進的全程伴熱預處理+在線色譜技術+火焰離子檢測法(FID),主要應用于對各種工業污染源排放有機物的實時監測,本系列在線氣相色譜分析儀采用國際先進技術,性能穩定可靠,自動化程度高,檢測范圍寬,能夠測量 VOCS、總烴(THC)、非甲烷總烴(NMHC)、苯及苯系物等多項參數,對 VOCS 的濃度和排放率進行連續、實時地跟蹤監控,并將所有的監測參數傳輸至工控機軟件和用戶 DCS 系統,可通過數采儀與環保部門的數據系統通訊。系統設備放置在分析小屋內,操作和維護方便,具有現場數據實時傳送、遠程故障診斷等功能,實現了工作現場的無人值守。整套系統結構簡單,模塊化設計,穩定性強,運行成本低。


需求溝通傾聽客戶需求,了解用戶使用環境和現場工況
方案設計根據現場實際工況,針對性出具解決方案
合同簽訂技術和商務規范確認,簽訂合作協議
產品制作選擇最優質的元器件,嚴格按照技術協議
調試安裝現場規范安裝,靜態動態調試,分析儀運行
售后服務后續維護,持續跟進,終身維修